<
>
產品簡介Product Description
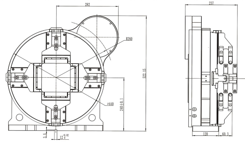
120雙卡盤前后卡盤精密款重卡適用于激光切管機,管板一體機等激光設備,通用性好;外觀精美,整體結構合理,防塵性能更高,使用壽命更長,使用體驗更好;性價比高,加工尾料短,材料利用率高;夾緊定位精度高,重復定位精度高,夾持力穩定可靠;轉速高,轉動慣量小,能適應高轉速運轉,加工效率高;安裝、使用方便;卡爪兩兩聯動,夾持范圍大,卡爪可以快速調整和精準定位,適用于加工不同規格的輕薄管材,適應性好。
應用范圍Application Scope
適用于激光切管機,管板一體機等激光設備,通用性好;外觀精美,整體結構合理,防塵性能更高,使用壽命更長,使用體驗更好;性價比高,加工尾料短,材料利用率高;夾緊定位精度高,重復定位精度高,夾持力穩定可靠;轉速高,轉動慣量小,能適應高轉速運轉,加工效率高;安裝、使用方便;卡爪兩兩聯動,夾持范圍大,卡爪可以快速調整和精準定位,適用于加工不同規格的輕薄管材,適應性好。
產品規格Product Specification

獲取報價Request A Quote
推薦產品Recommended Product
推薦資訊 / RECOMMENDED NEWS

激光切管卡盤的優勢主要體現在哪方面
激光切管卡盤 在激光切割技術中扮演著至關重要的角色,其 優勢主要體現在以下幾個方面 : 一、提高生產效率 自動定位與切割 :激光切管卡盤能夠實現管材的自動定位和夾緊,從而大大減少了...
MORE+- 前10個月我國機械工業增加值同比增長5.5%2024-12-05
- 激光切管機卡盤的保養方法2024-11-05
- 激光氣動卡盤的應用范圍2024-02-28
- 2024年春節放假通知2024-01-31
- 2023第十六屆深圳激光展 倒計時第三天2023-06-24
- 2023第十六屆深圳激光展 倒計時10天2023-06-17
- 2023第十六屆深圳激光展 倒計時30天2023-05-28
- 2023正月十一,開工大吉2023-02-01
- 2023年春節放假通知2023-01-15
- 2022ITES深圳工業展展會現場第二天2022-08-16
- 2022ITES深圳工業展展會現場第一天2022-08-15
- 熱烈慶祝中國共產黨建黨101周年暨香港回歸25周年2022-07-01
